| Katalogové číslo | Název součásti | Hmotnost [kg] |
|---|---|---|
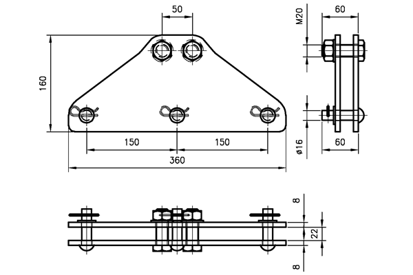
| P15/IV | Rozpěrka pro kotvení vodičů | 5,718 |
Elektrizace železnic Praha a.s. Centrální sklad Semanínská 2082, 560 02 Česká Třebová CZ
49°53'36.234"N, 16°26'50.615"E
Verze dat: 2013-05-30

