| Catalog number | Component name | Weight [kg] |
|---|---|---|
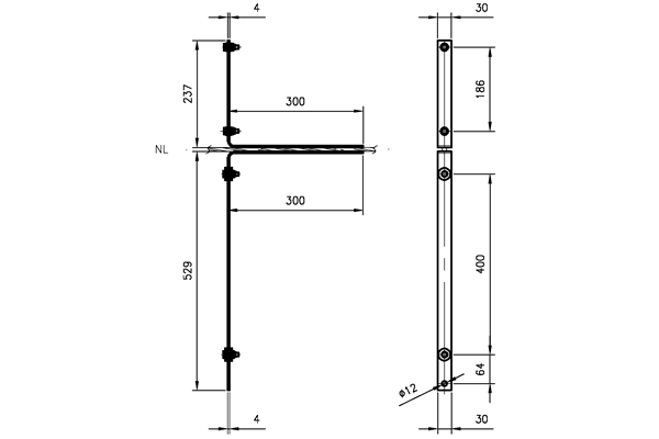
| H67/II | BEMU Sign attachement for messenger wire | 1,418 |
Elektrizace železnic Praha a.s. Central storage Semanínská 2082, 560 02 Česká Třebová CZ
49°53'36.234"N, 16°26'50.615"E
Data version: 2013-05-30

